GIẢI PHÁP AN TOÀN CHO ĐƯỜNG SẮT CAO TỐC - MRT

SPD (Type 1+2+3) - HLSA 25-275/2+0 (S)

Giá: Liên hệ

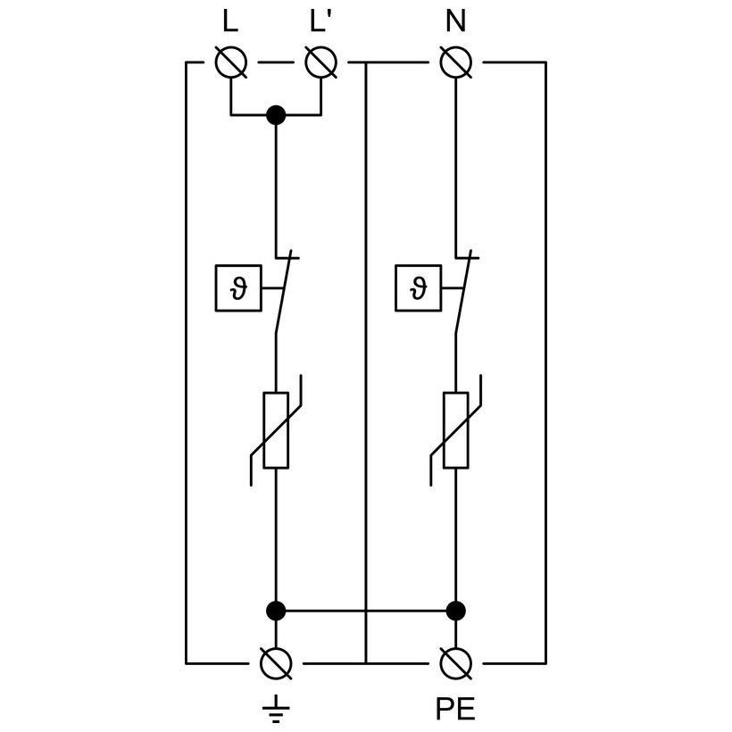
  • Lightning impulse current and surge arresters type T1+T2+T3.
  • The products consist of varistors with big discharge ability.
  • HLSA25 in configurations 1+1, 3+1 and HLSA25G are additionally combined with a gas discharge tube which ensures zero leakage current through the PE conductor.
  • Suitable for objects with considerable levels of protection LPL I and LPL II.
  • Installed at the boundaries of LPZ 0 – LPZ 1 and higher zones, closest to where overhead line enters the building i.e. in the main distribution boards.
  • In case of the installation of a type T1+T2+T3 in the main switchboard, it is also necessary to install type T2 and T3 in any additional distribution boards in the electrical installation.
  • If the product contains two PE (or PEN) terminals, it must not be used as a PE (PEN) bridge.
  • S indication specifies a version with remote monitoring.

SPD (Type 1+2+3) - HLSA 25-275/2+0 (S)

THÔNG SỐ KỸ THUẬT:

Impulse discharge current for class I test (10/350) Iimp 25 kA
Test class according to EN 61643-11:2012 (IEC 61643-11:2011)   T1, T2, T3
CB test certificate number according to the IEC 61643-11:2011 from the CTI – VIENNA laboratory   AT 5110
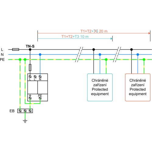
System   TN-S
Number of poles  
Rated operating AC voltage UN 230 V
Maximum continuous operating voltage AC UC 275 V
Rated load current for „V“ connection IL 125 A
Maximum discharge current (8/20) Imax 50 kA
Charge Q 12.5 As
Specific energy for class I test W/R 156 kJ/Ω
Total discharge current (10/350) L+N->PE ITotal 50 kA
Total discharge current (8/20) L+N->PE ITotal 100 kA
Nominal discharge current for class II test (8/20) In 25 kA
Open circuit voltage of the combination wave generator UOC 6 kV
Voltage protection level at In Up < 1.2 kV
Temporary overvoltage test (TOV) for tT = 5 s UT 337 V
Temporary overvoltage test (TOV) for tT = 120 min UT 440 V
Response time tA < 25 ns
Maximal back-up fuse   250 A gL/gG
Maximal back-up fuse („V“ connection)   125 A gL/gG
Residual current IPE ≤ 1 400 µA
Short-circuit current rating at maximum back-up fuse ISCCR 80 kArms
Lightning protection zone   LPZ 0-1, LPZ 1-2, LPZ 2-3
Housing material   Polyamid PA6, UL94 V-0
Degree of protection   IP20
Operating temperature ϑ - 40 ÷ 70 °C
Humidity range RH 5 ÷ 95 %
Minimum cross-section of connected Cu conductors accord. to HD 60364-5-53:2022 (doesn't apply to „V“ connection) for T1 S 6 mm² (L, N)
16 mm² (PE, PEN)
Minimum cross-section of connected Cu conductors accord. to HD 60364-5-53:2022 (doesn't apply to „V“ connection) for T2 S 2.5 mm² (L, N)
6 mm² (PE, PEN)
Power conductor stripping length   15
Clamp fastening range (solid conductor)   2.5 ÷ 35 mm2
Clamp fastening range (stranded conductor)   2.5 ÷ 25 mm2
Tightening torque   3
Installation   On DIN rail 35 mm
Modular width   4
Width   70.4 mm
Height   90 mm
Depth   65.8 mm
Operating position   Any
Product placement environment   Internal
Signalling at the device   Optic
Importance of local signaling   OK – clear target
FAULT – red target
Remote signalling   No
Pluggable version   No
Lifetime   > 100 000 h

 

TIÊU CHUẨN ĐÁP ỨNG

Application standards
Protection against lightning IEC 62305:2010
Selection and erection of electrical equipment – Switchgear and controlgear HD 60364-5-53:2022
Selection and application principles for SPDs connected to low-voltage power systems CLC/TS 61643-12:2009
Designed according to standards
Requirements and test methods for SPDs connected to low-voltage power systems IEC 61643-11:2011
Safety of Flammability of Plastic Materials UL 94

 

BẢNG VẼ KỸ THUẬT:

GỢI Ý LẮP ĐẶT:

Danh mục sản phẩm

Giải pháp của chúng tôi

Bài viết gần đây

LỊCH NGHỈ TẾT BÍNH NGỌ 2026

Lịch nghỉ tết bính ngọ 2026 của Mun Hean Việt Nam

Lịch nghỉ tết Ất Tỵ năm 2025

Mun Hean kính gửi quý khách hàng lịch nghỉ tết Ất Tỵ 2025!

DỊCH VỤ ĐÁNH GIÁ HỆ THỐNG THU SÉT PHÁT TIÊN ĐẠO...

Khi hệ thống chống sét truyền thống dựa trên nguyên lý Franklin...

0848116600