GIẢI PHÁP AN TOÀN CHO ĐƯỜNG SẮT CAO TỐC - MRT

THIẾT BỊ GIÁM SÁT CÁCH LY IMD- HIG93T

Giá: Liên hệ

  • HIG93T are a series of insulation monitor devices (IMDs) for insulated systems (IT systems) in rolling stock.
  • The IMDs are designed according to the EN 50155 standard and are prepared for measuring insulation resistance in trains, trams, and trolleybuses.
  • The IMDs are usually applied with a range of TL * T coupling devices, which allow monitoring of the usual operating voltages of 3 x 400 V or 3 x 500 V.

THIẾT BỊ GIÁM SÁT CÁCH LY IMD- HIG93T

THÔNG SỐ KỸ THUẬT

Monitored IT power supply system type according to IEC 61557-8   AC
Measuring range of insulation resistance RF 5 ÷ 900 kΩ
Adjustable range of critical insulation resistance Ran 5 ÷ 300 kΩ
Number of insulation resistance fault levels (Ran)  
Rated voltage of monitored IT system (AC) Un 275 V
IMD power supply   From measured IT system, From independent power source
Nominal supply voltage AC Us 90 ÷ 265 V
Power consumption P 5 VA
Measuring voltage Um 12 V
Measuring current Im < 0.6 mA
Measuring input’s internal impedance Zi > 2 000 kΩ
Measuring accuracy   ± 10 %
Electrical strength against internal circuits   3 750 V
Equipped with display   Yes (OLED technology)
Supported module of remote monitoring panels (MDS)   MDS-D, MDS-DELTA
Communication interface for user   RS485 bus
Communication protocol   ISOLGUARD, PROFIBUS
Housing material   Polyamid PA6, UL94 V-0
External control inputs   Test start
Degree of protection of front panel   IP40
Degree of protection except the front panel   IP20
Operating temperature ϑ - 25 ÷ 60 °C
Protection class according to IEC 61140   II
Recommended cross-section of connecting wires S 1 mm2
Installation   On DIN rail 35 mm
Modular width   2
Width   36 mm
Height   90 mm
Depth   63.5 mm
Use for traction   Yes
Operating position   Any
Operation type   Permanent

TIÊU CHUẨN ĐÁP ỨNG

Application standards
Low-voltage electrical installations – Protection against electric shock HD 60364-4-41:2017
Designed according to standards
Equipment for testing, measuring or monitoring of protective measures IEC 61557-1:2007
Insulation monitoring devices for IT systems IEC 61557-8:2014
Insulation coordination for equipment within low-voltage systems IEC 60664-1:2007
Railway applications – Rolling stock – Electronic equipment EN 50155:2017
Railway applications – Electromagnetic compatibility EN 50121-3-2:2016
Railway applications – Rolling stock equipment – Shock and vibration tests IEC 61373:2010
Railway applications – Fire protection on railway vehicles EN 45545-2:2013

KÍCH THƯỚC

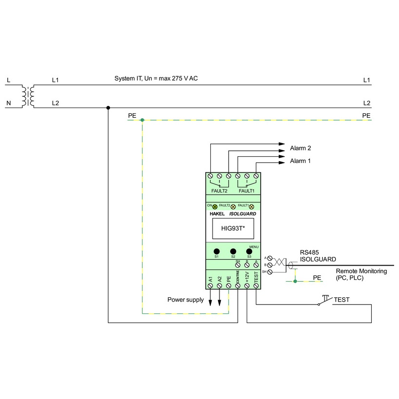
KHUYẾN CÁO LẮP ĐẶT

Danh mục sản phẩm

Giải pháp của chúng tôi

Bài viết gần đây

LỊCH NGHỈ TẾT BÍNH NGỌ 2026

Lịch nghỉ tết bính ngọ 2026 của Mun Hean Việt Nam

Lịch nghỉ tết Ất Tỵ năm 2025

Mun Hean kính gửi quý khách hàng lịch nghỉ tết Ất Tỵ 2025!

DỊCH VỤ ĐÁNH GIÁ HỆ THỐNG THU SÉT PHÁT TIÊN ĐẠO...

Khi hệ thống chống sét truyền thống dựa trên nguyên lý Franklin...

0848116600