GIẢI PHÁP AN TOÀN CHO ĐƯỜNG SẮT CAO TỐC - MRT

SPD (Type 2+3) - HSA-275/2+0 (S)

Giá: Liên hệ

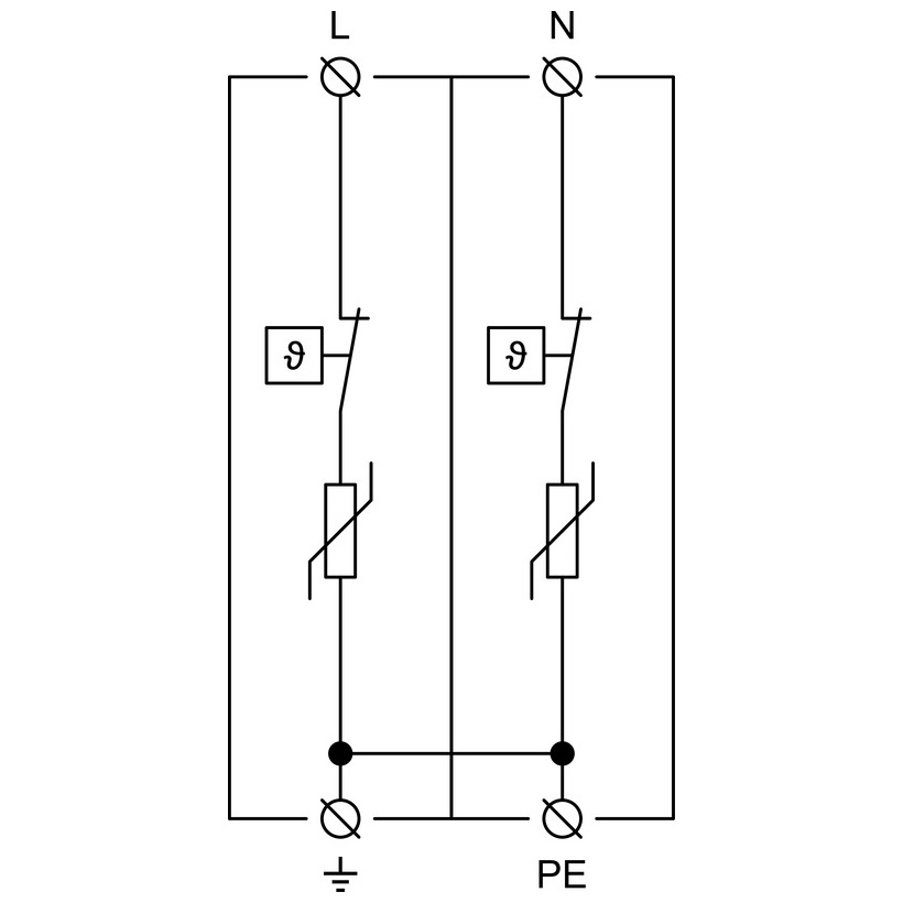
  • Surge arresters type T2+T3 ensure the equipotential bonding and reduce switching, induced and residual overvoltage in LV power supply systems.
  • The products consist of varistors with big discharge ability.
  • Configurations 1+1 and 3+1 are additionally combined with a gas discharge tube which ensures zero leakage current through the PE conductor.
  • Installed at the boundaries of LPZ 1 – LPZ 3 into subsidiary switchboards and control panels.
  • If the product contains two PE (or PEN) terminals, it must not be used as a PE (PEN) bridge.
  • M indication specifies a type of construction with removable module.
  • S indication specifies a version with remote monitoring.

SPD (Type 2+3) - HSA-275/2+0 (S)

THÔNG SỐ KỸ THUẬT:

Test class according to EN 61643-11:2012 (IEC 61643-11:2011)   T2, T3
CB test certificate number according to the IEC 61643-11:2011 from the CTI – VIENNA laboratory   AT 4793
System   TN-S
Number of poles  
Rated operating AC voltage UN 230 V
Maximum continuous operating voltage AC UC 275 V
Maximum discharge current (8/20) Imax 50 kA
Nominal discharge current for class II test (8/20) In 20 kA
Open circuit voltage of the combination wave generator UOC 6 kV
Total discharge current (8/20) L+N->PE ITotal 100 kA
Voltage protection level at In Up < 1.2 kV
Voltage protection level at UOC Up < 0.8 kV
Temporary overvoltage test (TOV) for tT = 5 s UT 337 V
Temporary overvoltage test (TOV) for tT = 120 min UT 440 V
Response time tA < 25 ns
Maximal back-up fuse   160 A gL/gG
Residual current IPE ≤ 600 µA
Short-circuit current rating at maximum back-up fuse ISCCR 60 kArms
Lightning protection zone   LPZ 1-2, LPZ 2-3
Housing material   Polyamid PA6, UL94 V-0
Degree of protection   IP20
Operating temperature ϑ - 40 ÷ 70 °C
Humidity range RH 5 ÷ 95 %
Minimum cross-section of connected Cu conductors accord. to HD 60364-5-53:2022 (doesn't apply to „V“ connection) for T2 S 2.5 mm² (L, N)
6 mm² (PE, PEN)
Power conductor stripping length   10
Clamp fastening range (solid conductor)   1.5 ÷ 25 mm2
Clamp fastening range (stranded conductor)   1.5 ÷ 16 mm2
Tightening torque   3
Installation   On DIN rail 35 mm
Modular width   2
Width   35 mm
Height   90 mm
Depth   65.8 mm
Operating position   Any
Product placement environment   Internal
Signalling at the device   Optic
Importance of local signaling   OK – clear target
FAULT – red target
Remote signalling   No
Pluggable version   No
Lifetime  

> 100 000 h

 

TIÊU CHUẨN ĐÁP ỨNG

Application standards
Protection against lightning IEC 62305:2010
Selection and erection of electrical equipment – Switchgear and controlgear HD 60364-5-53:2022
Selection and application principles for SPDs connected to low-voltage power systems CLC/TS 61643-12:2009
Designed according to standards
Requirements and test methods for SPDs connected to low-voltage power systems IEC 61643-11:2011
Safety of Flammability of Plastic Materials UL 94

 

KÍCH THƯỚC:

GỢI Ý LẮP ĐẶT

Danh mục sản phẩm

Giải pháp của chúng tôi

Bài viết gần đây

LỊCH NGHỈ TẾT BÍNH NGỌ 2026

Lịch nghỉ tết bính ngọ 2026 của Mun Hean Việt Nam

Lịch nghỉ tết Ất Tỵ năm 2025

Mun Hean kính gửi quý khách hàng lịch nghỉ tết Ất Tỵ 2025!

DỊCH VỤ ĐÁNH GIÁ HỆ THỐNG THU SÉT PHÁT TIÊN ĐẠO...

Khi hệ thống chống sét truyền thống dựa trên nguyên lý Franklin...

0848116600