GIẢI PHÁP AN TOÀN CHO ĐƯỜNG SẮT CAO TỐC - MRT

Chống sét lan truyền SPD (T3) - HSAF16 (S)

Giá: Liên hệ

  • Two-stage surge arresters type T3 with high-frequency filters for serial connection.
  • Intended for protection of electronic appliances against the effects of switching, induced and residual overvoltage generated in LV power supply systems.
  • Contain an improved thermal fuse, which ensures timely disconnection of HSAF* S from the power grid during the MOV‘s overheating and thus prevents damage to the HSAF* S.
  • Installed at the boundaries of LPZ 2 – LPZ 3, as close to the device to be protected as possible (no further than 5 m).
  • In front of HSAF* S must be installed a lightning current and surge arrester T1 and T2 from HAKEL company.
  • S indication specifies a version with remote monitoring.

SPD (T3) - HSAF16 (S)

THÔNG SỐ KỸ THUẬT:

Test class according to EN 61643-11:2012 (IEC 61643-11:2011)   T3
System   TN-C-S, TN-S
Number of poles  
Rated operating AC voltage UN 230 V
Maximum continuous operating voltage AC UC 275 V
Rated load current IL 16 A
Open circuit voltage of the combination wave generator (L/N, L/PE) UOC 6 kV
Open circuit voltage of the combination wave generator (N/PE) UOC 10 kV
Voltage protection level at UOC (L/N) Up < 0.75 kV
Voltage protection level at UOC (L/PE) Up < 1 kV
Voltage protection level at UOC (N/PE) Up < 1.5 kV
Nominal discharge current for class II test (8/20) L/N, L/PE In 3 kA
Nominal discharge current for class II test (8/20) N/PE In 5 kA
Total discharge current (8/20) L+N->PE ITotal 6 kA
Asymmetrical attenuation of filter at f = 4 MHz   > 80 dB
Asymmetrical attenuation of filter at f = 0.15 ÷ 30 MHz   > 35 dB
Temporary overvoltage test (TOV) for tT = 5 s (L/N) UT 337 V
Temporary overvoltage test (TOV) for tT = 120 min (L/N) UT 440 V
Temporary overvoltage test (TOV) for tT = 0.2 s (N/PE) UT 1 200 V
Response time (L/N) tA < 25 ns
Response time (L/PE, N/PE) tA < 100 ns
Power dissipation Pz < 3.5 W
Maximal back-up fuse   16 A gL/gG
Residual current IPE ≤ 1 800 µA
Short-circuit current rating at maximum back-up fuse ISCCR 6 kArms
Lightning protection zone   LPZ 2-3
Housing material   Polyamid PA6, UL94 V-0
Degree of protection   IP20
Operating temperature ϑ - 40 ÷ 55 °C
Humidity range RH 5 ÷ 95 %
Recommended cross-section of connecting wires S 2.5 mm2
Power conductor stripping length   8
Clamp fastening range (solid conductor)   0.2 ÷ 6 mm2
Clamp fastening range (stranded conductor)   0.2 ÷ 4 mm2
Tightening torque   0.5
Installation   On DIN rail 35 mm
Modular width   3
Width   52.5 mm
Height   90 mm
Depth   65.8 mm
Operating position   Any
Product placement environment   Internal
Signalling at the device   Optic
Importance of local signaling   OK – red light off
FAULT – red light on
Remote signalling   No
Includes EMI / EMC filter   Yes
Pluggable version   No
Lifetime   > 100 000 h

TIÊU CHUẨN ĐÁP ỨNG

Application standards
Protection against lightning IEC 62305:2010
Selection and erection of electrical equipment – Switchgear and controlgear HD 60364-5-53:2022
Selection and application principles for SPDs connected to low-voltage power systems CLC/TS 61643-12:2009
Designed according to standards
Requirements and test methods for SPDs connected to low-voltage power systems IEC 61643-11:2011
Methods of measurement of the suppression characteristics of passive EMC filtering devices EN 55017:2011 / CISPR 17:2011
Safety of Flammability of Plastic Materials UL 94

KÍCH THƯỚC

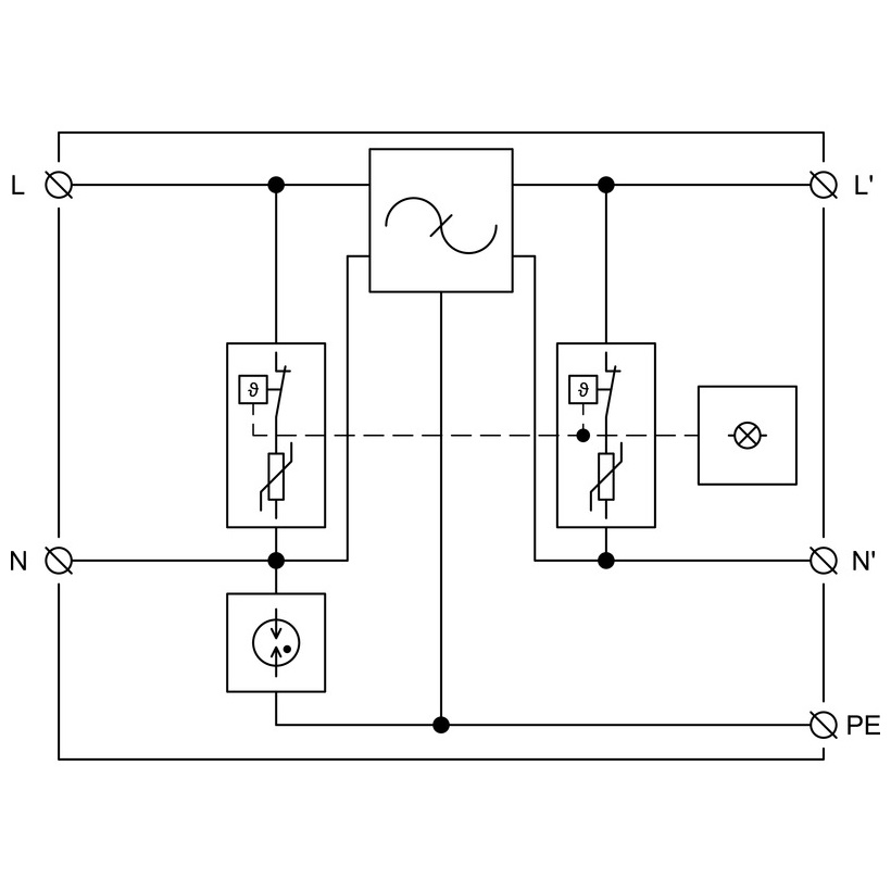
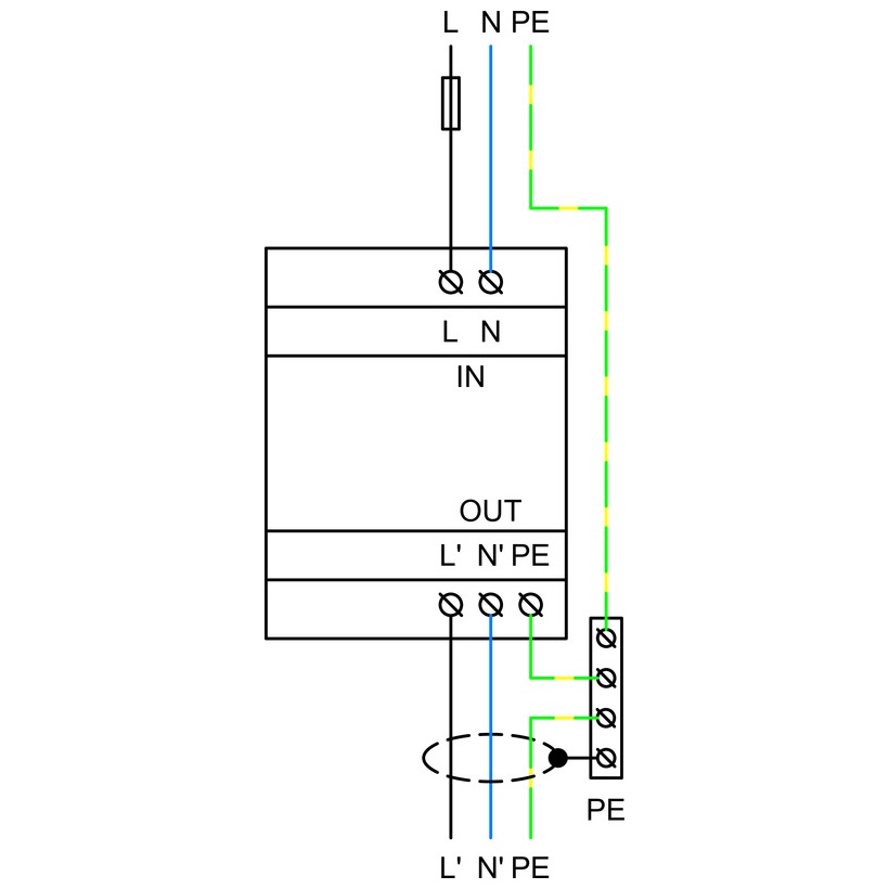
GỢI Ý LẮP ĐẶT

Danh mục sản phẩm

Giải pháp của chúng tôi

Bài viết gần đây

LỊCH NGHỈ TẾT BÍNH NGỌ 2026

Lịch nghỉ tết bính ngọ 2026 của Mun Hean Việt Nam

Lịch nghỉ tết Ất Tỵ năm 2025

Mun Hean kính gửi quý khách hàng lịch nghỉ tết Ất Tỵ 2025!

DỊCH VỤ ĐÁNH GIÁ HỆ THỐNG THU SÉT PHÁT TIÊN ĐẠO...

Khi hệ thống chống sét truyền thống dựa trên nguyên lý Franklin...

0848116600