GIẢI PHÁP AN TOÀN CHO ĐƯỜNG SẮT CAO TỐC - MRT

THIẾT BỊ GIÁM SÁT CÁCH LY - HIG99

Giá: Liên hệ

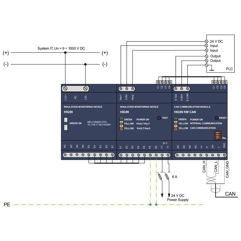
Thiết bị Giám sát cách ly Hakel - HIG99 dùng để giám sát cách ly dùng cho cho các hệ thống IT chạy dòng DC, AC hoặc kết hợp cả hai.
Thiết bị có khả năng dải điện áp từ 1 kΩ đến 10 MΩ, tích hợp hai rơ-le đầu ra để cảnh báo khi xảy ra sự cố.

Thông số kỹ thuật Thiết bị giám sát cách ly dùng cho hệ thống đường sắt cao tốc - IMD - HIG99:

Tiêu chuẩn đáp ứng của HIG99:

Application standards  
Low-voltage electrical installations – Protection against electric shock HD 60364-4-41:2017
Designed according to standards  
Insulation monitoring devices for IT systems IEC 61557-8:2014
Equipment for testing, measuring or monitoring of protective measures IEC 61557-1:2007
Insulation coordination for equipment within low-voltage systems IEC 60664-1:2007
Railway applications – Rolling stock – Electronic equipment EN 50155:2017
Railway applications – Fire protection on railway vehicles EN 45545-2:2013
Railway applications – Electromagnetic compatibility EN 50121-3-2:2016
Railway applications – Environmental conditions for equipment EN 50125-1:2014
Railway applications – Rolling stock equipment – Shock and vibration tests IEC 61373:2010

Kích thước lắp đặt

Danh mục sản phẩm

Giải pháp của chúng tôi

Bài viết gần đây

LỊCH NGHỈ TẾT BÍNH NGỌ 2026

Lịch nghỉ tết bính ngọ 2026 của Mun Hean Việt Nam

Lịch nghỉ tết Ất Tỵ năm 2025

Mun Hean kính gửi quý khách hàng lịch nghỉ tết Ất Tỵ 2025!

DỊCH VỤ ĐÁNH GIÁ HỆ THỐNG THU SÉT PHÁT TIÊN ĐẠO...

Khi hệ thống chống sét truyền thống dựa trên nguyên lý Franklin...

0848116600