GIẢI PHÁP AN TOÀN CHO ĐƯỜNG SẮT CAO TỐC - MRT

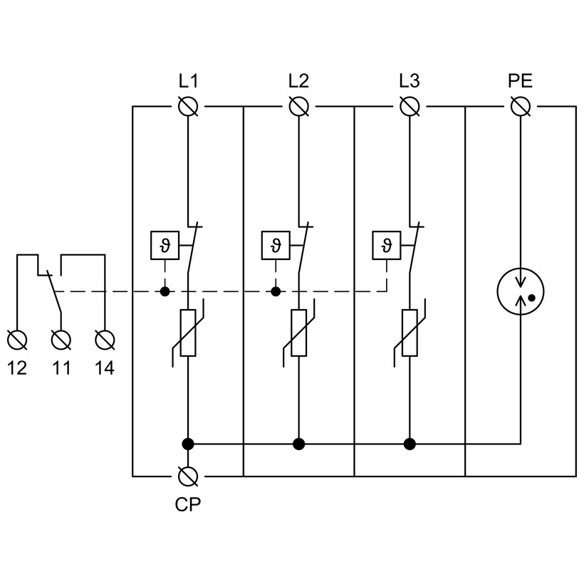
SPD (T1+2) - HLSA12,5-440/3+1 S IT

Giá: Liên hệ

  • Lightning impulse current and surge arresters type T1+T2 ensure the equipotential bonding, eliminate the effects of lightning current and reduce switching, induced and residual overvoltage in single-phase and three-phase IT power supply systems.
  • The products consist of varistors with big discharge ability in the combination with gas discharge tube they ensure zero leakage current in the PE conductor.
  • Installed at the boundaries of zones LPZ 0 – LPZ 1 and higher, closest to where the overhead line enters the building i.e. in the main distribution boards.
  • Suitable for objects with considerable levels of protection LPL III and LPL IV.
  • S indication specifies a version with remote monitoring.

SPD (T1+2) - HLSA12,5-440/3+1 S IT

THÔNG SỐ KỸ THUẬT

Test class according to EN 61643-11:2012 (IEC 61643-11:2011)   T1, T2
System   IT
Number of poles  
Nominal line voltage UN 400 V
Maximum continuous operating voltage AC UC 440 V
Maximum discharge current (8/20) L/PE Imax 50 kA
Impulse discharge current for class I test (10/350) L/CP Iimp 12.5 kA
Charge (L/CP) Q 6.25 As
Specific energy for class I test (L/CP) W/R 39 kJ/Ω
Impulse discharge current for class I test (10/350) CP/PE Iimp 50 kA
Charge (CP/PE) Q 25 As
Specific energy for class I test (CP/PE) W/R 625 kJ/Ω
Total discharge current (10/350) L1+L2+L3+CP->PE ITotal 50 kA
Total discharge current (8/20) L1+L2+L3+CP->PE ITotal 100 kA
Nominal discharge current for class II test (8/20) L/PE In 25 kA
Nominal discharge current for class II test (8/20) CP/PE In 50 kA
Voltage protection level at In Up < 1.8 kV
Temporary overvoltage test (TOV) for tT = 5 s (L/CP) UT 580 V
Temporary overvoltage test (TOV) for tT = 0.2 s (L/PE) UT 1 640 V
Response time (L/CP) tA < 25 ns
Response time (CP/PE) tA < 100 ns
Maximal back-up fuse   160 A gL/gG
Short-circuit current rating at maximum back-up fuse ISCCR 60 kArms
Lightning protection zone   LPZ 0-1, LPZ 1-2, LPZ 2-3
Housing material   Polyamid PA6, UL94 V-0
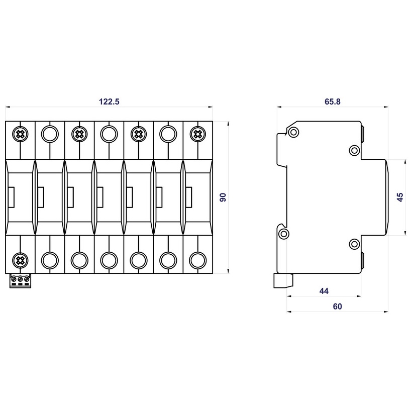
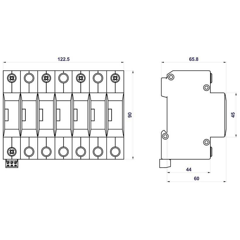
Degree of protection   IP20
Operating temperature ϑ - 40 ÷ 70 °C
Minimum cross-section of connected Cu conductors accord. to HD 60364-5-53:2022 (doesn't apply to „V“ connection) for T1 S 6 mm² (L, N)
16 mm² (PE, PEN)
Minimum cross-section of connected Cu conductors accord. to HD 60364-5-53:2022 (doesn't apply to „V“ connection) for T2 S 2.5 mm² (L, N)
6 mm² (PE, PEN)
Clamp fastening range (solid conductor)   1.5 ÷ 25 mm2
Clamp fastening range (stranded conductor)   1.5 ÷ 16 mm2
Tightening torque   3
Installation   On DIN rail 35 mm
Modular width   7
Operating position   Any
Signalling at the device   Optic
Importance of local signaling   OK – clear target
FAULT – red target
Remote signalling   Yes
Potential free signal contact (S) (recommended cross-section of remote monitoring max. 1 mm2)   AC: 250 V / 1.5 A, DC: 250 V / 0.1 A
Pluggable version   No
Lifetime   > 100 000 h

TIÊU CHUẨN ĐÁP ỨNG

Application standards
Protection against lightning IEC 62305:2010
Selection and erection of electrical equipment – Switchgear and controlgear HD 60364-5-53:2022
Selection and application principles for SPDs connected to low-voltage power systems CLC/TS 61643-12:2009
Designed according to standards
Requirements and test methods for SPDs connected to low-voltage power systems IEC 61643-11:2011
Safety of Flammability of Plastic Materials UL 94

KÍCH THƯỚC

GỢI Ý LẮP ĐẶT

 

Danh mục sản phẩm

Giải pháp của chúng tôi

Bài viết gần đây

LỊCH NGHỈ TẾT BÍNH NGỌ 2026

Lịch nghỉ tết bính ngọ 2026 của Mun Hean Việt Nam

Lịch nghỉ tết Ất Tỵ năm 2025

Mun Hean kính gửi quý khách hàng lịch nghỉ tết Ất Tỵ 2025!

DỊCH VỤ ĐÁNH GIÁ HỆ THỐNG THU SÉT PHÁT TIÊN ĐẠO...

Khi hệ thống chống sét truyền thống dựa trên nguyên lý Franklin...

0848116600