Bộ lưu điện - UPS Kstar

Bộ lưu điện UPS Online Kstar Dòng Epower-H (10-600kVA)

Mã: UPS KSTAR - EPOWER-H

Giá: Liên hệ

Bộ lưu điện UPS Kstar dành cho công nghiệp với dãy công suất rộng được Mun Hean Việt Nam phân phối chính hãng. Chính sách giá ưu đãi dành cho quý đối tác, nhà thầu. Xem thêm thông tin về bộ lưu điện UPS Kstar dành cho công nghiệp.

Kstar là công ty toàn cầu chuyên sản xuất Bộ lưu điện UPS với hơn 30 năm kinh nghiệm. Liên tục chứng minh khả năng vượt trội của sản phẩm với các thành tựu:
- Top 5 nhà cung cấp toàn cầu thiết bị lưu điện UPS năm 2024 ( Global UPS Suppiler - Omdia 2024)
- Top 1 nhãn hàng bán UPS tại Trung Quốc (China UPS Selling Local Brands - CCID)
- Top 1 thị phần cung cấp cho trung tâm dữ liệu dạng lắp ráp theo mô đun tại Trung Quốc 2023-2024
- Top 1 thị phần pin Lead-acid tại Trung Quốc 2023-2024

BỘ LƯU ĐIỆN DỰ PHÒNG UPS KSTAR DÒNG EPOWER-H DÙNG CHO ĐIỆN CÔNG NGHIỆP

3:3 phase PF: 0.8

UPS ONLINE KSTAR EPOWER H

ĐIỂM NỔI BẬT CỦA BỘ LƯU ĐIỆN UPS KSTAR DÒNG EPOWER-H

Chế độ vận hành

  • Áp dụng công nghệ chỉnh lưu/biến tần IGBT, biến áp cách ly đầu ra, thiết kế chuyển đổi kép online, thời gian chuyển đổi bằng không.

Điều khiển DPS toàn diện

  • Điều khiển kép DSP - nâng cao độ ổn định và đáng tin cậy của toàn bộ hệ thống.

Chế độ máy phát

  • Thiết lập công suất đầu ra tối đa của máy phát khi sử dụng máy phát có công suất nhỏ hơn yêu cầu để kéo dài thời gian dự phòng pin. Trong trường hợp này, tải được cung cấp bởi cả máy phát và pin UPS.

Chức năng dự phòng song song N+X

  • Thiết kế dự phòng song song N+X với tối đa 6 unit, tăng tính linh hoạt cho cấu hình dự phòng, 2 bộ UPS song song có độ sai lệch dòng dưới 3%.

Dãi điện áp đầu vào rộng

  • Phạm vi điện áp AC đầu vào 380V ±20%, giảm thiểu chuyển sang chế độ pin, từ đó kéo dài đáng kể tuổi thọ pin.
  • Phạm vi tần số đầu vào rộng từ 45Hz đến 65Hz, đảm bảo UPS hoạt động ổn định khi kết nối với máy phát điện.

Tối ưu hóa quản lý pin

  • Hệ thống quản lý pin thông minh kết hợp công nghệ sạc tự động float/boost tiên tiến, giảm tần suất bảo dưỡng pin, nâng cao hiệu suất pin và kéo dài tuổi thọ pin.
  • Dự đoán thời gian xả pin: Hệ thống hiển thị thời gian xả và thời gian dự phòng dựa trên dòng xả pin.
  • Kiểm tra pin tự động: Pin được kiểm tra tự động theo chu kỳ định kỳ.
  • Cấu hình điện áp pin linh hoạt.

Chức năng EPO

  • Chức năng tắt nguồn khẩn cấp EPO.

Thiết kế bảo trì thủ công Bypass

  • Chế độ bảo trì không tắt nguồn.

Khả năng bảo vệ đa tầng

  • Chức năng tự chẩn đoán trước khi khởi động đảm bảo an toàn.
  • Bảo vệ đa tầng: Điện áp đầu vào AC thấp/cao, quá tải, ngắn mạch, quá dòng, điện áp bus quá cao, quá nhiệt, hỏng quạt, hỏng nguồn phụ, điện áp pin thấp, sạc pin quá mức và các lỗi khác.

Cổng truyền thông tin

  • USB, RS485 (MODBUS), SNMP adapter (Optional), 6 dry contacts (optional).

Giao diện thân thiện với người dùng

  • Màn hình cảm ứng tiêu chuẩn 7 inch, hiển thị trạng thái hoạt động, chỉ số hoạt động và dữ liệu hoạt động.
  • Epower H UPS online Kstar

THÔNG SỐ KỸ THUẬT BỘ LƯU ĐIỆN UPS KSTAR DÒNG EPOWER-H

UPS online KSTAR - EPOWER_H

UPS online KSTAR - EPOWER_H

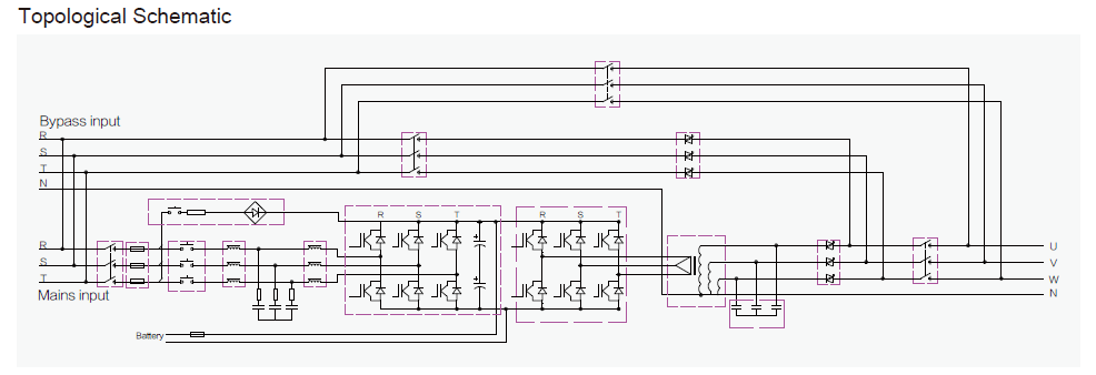
SƠ ĐỒ NGUYÊN LÝ BỘ LƯU ĐIỆN UPS ONLINE KSTAR DÒNG EPOWER-H

Sơ đồ nguyên lý UPS online KStar Epower H

​MỘT SỐ HÌNH ẢNH BỘ LƯU ĐIỆN UPS KSTAR THỰC TẾ

 UPS KSTAR TẠI LUXSHARE

UPS Kstar_Trung tâm dữ liệu China MobileUPS Kstar_Trung tâm dữ liệu GlorydataUPS Kstar_Trạm tàu điện cao tốc Ningbo

Bảng giá UPS Kstar: Tại đây
Thông số kỹ thuật chi tiết UPS Kstar: Tại đây

Mun Hean phân phối Bộ lưu điện dự phòng UPS Kstar chính hãng tại Việt Nam. Liên hệ ngay để được tư vấn!

UPS Công nghiệp, nhà máy
Bộ lưu điện UPS dành cho công nghiệp

Danh mục sản phẩm

Giải pháp của chúng tôi

Bài viết gần đây

LỊCH NGHỈ TẾT BÍNH NGỌ 2026

Lịch nghỉ tết bính ngọ 2026 của Mun Hean Việt Nam

Lịch nghỉ tết Ất Tỵ năm 2025

Mun Hean kính gửi quý khách hàng lịch nghỉ tết Ất Tỵ 2025!

DỊCH VỤ ĐÁNH GIÁ HỆ THỐNG THU SÉT PHÁT TIÊN ĐẠO...

Khi hệ thống chống sét truyền thống dựa trên nguyên lý Franklin...

0848116600